【信息发布时间:2024-08-08 14:22 阅读次数:】 【我要打印】 【关闭】
关于印发节能产品政府采购品目清单的通知
财库〔2019〕19号
有关中央预算单位,各省、自治区、直辖市、计划单列市财政厅(局)、发展改革委(经信委、工信委、工信厅、经信局),新疆生产建设兵团财政局、发展改革委:
根据《财政部 发展改革委 生态环境部 市场监管总局关于调整优化节能产品 环境标志产品政府采购执行机制的通知》(财库〔2019〕9号), 我们研究制定节能产品政府采购品目清单,现印发给你们,请遵照执行。
附件:节能产品政府采购品目清单
财政部 发展改革委
2019年4月2日
政府强制采购产品
★A02010104 台式计算机
★A02010105 便携式计算机
★A02010107 平板式微型计算机
★A0201060102 激光打印机
★A0201060104 针式打印机
★A0201060401 液晶显示器
★A02052301 制冷压缩机(冷水机组、水源热泵机组、溴化锂吸收式冷水机组)
★A02052305 空调机组(多联式空调(热泵)机组(制冷量>14000W)、单元式空气调节机(制冷量>14000W))
★A02052309 专用制冷、空调设备(机房空调)
★A020609 镇流器(管型荧光灯镇流器)
★A0206180203 空调机(房间空气调节器、多联式空调(热泵)机组(制冷量 ≤14000W)、单元式空气调节机(制冷量≤14000W))
★电热水器
★普通照明用双端荧光灯
★A020910 电视设备(A02091001 普通电视设备(电视机))
★A020911 视频设备(A02091107 视频监控设备)
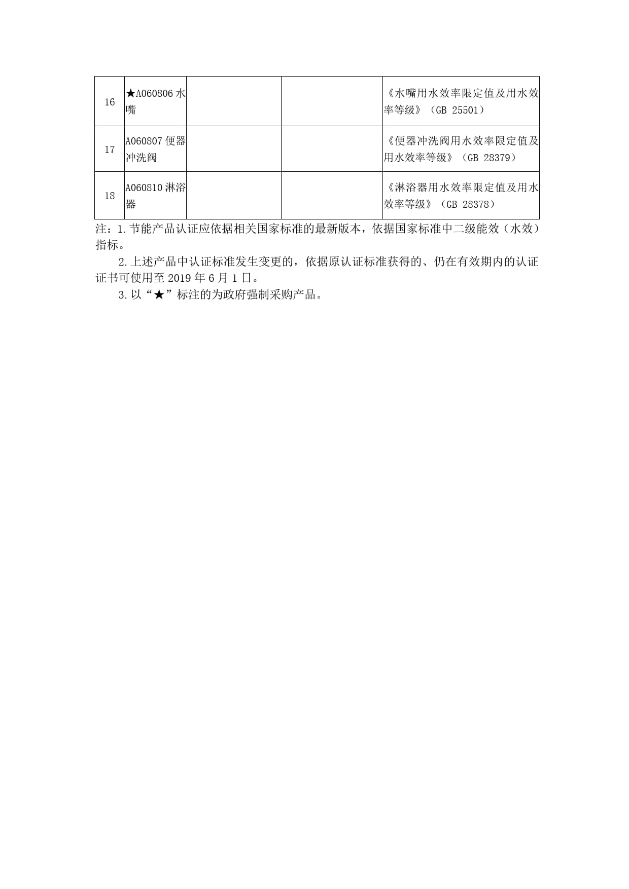
★A060805 便器(坐便器、蹲便器、小便器)
★A060806 水嘴



